36+ Troy Bilt Mustang 50 Parts Diagram
Web Troy Bilt 17AFCACP011 Mustang 50 XP 2013 Parts Diagrams Quick Reference. Web Mustang 50 Zero-Turn Lawn Mower.
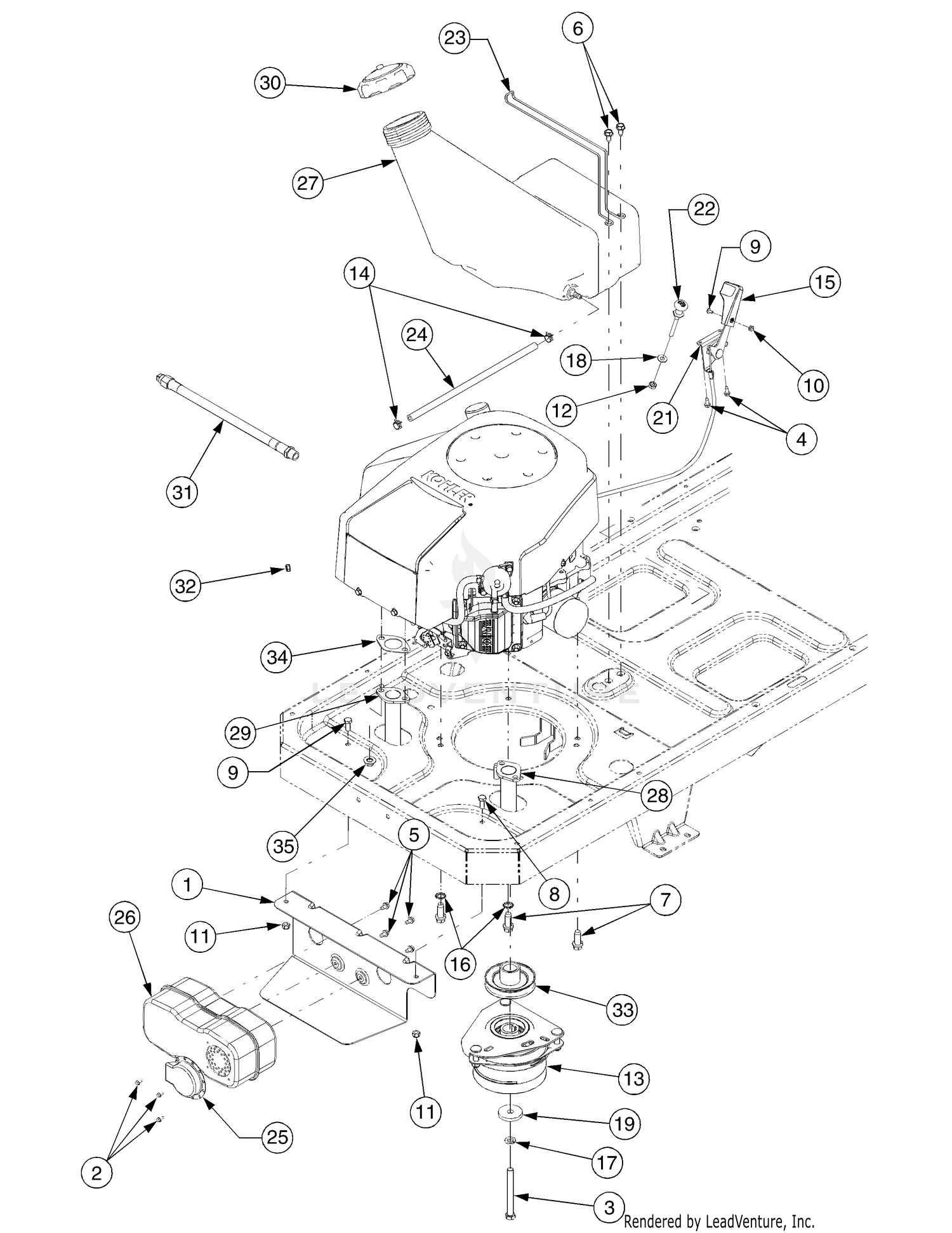
Troy Bilt 17af2acp766 Mustang Rzt 50 2007 Engine Connections
Web Troy Bilt 17AKCACZ066 Mustang XP 50 FAB 2019 Parts Diagrams Contact Us.

. Ad Official Troy-Bilt Parts. Web Mustang XP 50 Zero-Turn Mower Mower Deck 50-Inch Parts Diagram 1 Troy-Bilt 903. Search By Part Number Or Model Number And Find The Parts You Need Fast.
What Does schematic wiring diagram Mean. Search By Part Number Or Model Number And Find The Parts You Need Fast. Web Troy Bilt Mustang 50 Wiring Diagram 1st discover a reference stage.
Web To download a FREE copy of a Troy-Bilt Operators Manual. Web Lookup Parts via Diagram Financing Now Available for Online Purchases Learn More. Web Mustang 54 Zero-Turn Mower Deck Parts Diagram 1 Troy-Bilt 603-05350B DECK.
Order Your Replacement Part Today Save. Web Troy Bilt Starter Solenoid Wiring Diagram. Install Videos Buying Guides.
Web Troy Bilt 17AF2ACP766 MUSTANG RZT 50 2007 Parts Diagrams Quick Reference. Web Rzt 50 wiring diagram troy bilt mustang xp 50 wiring diagram we have 9. Schematic wiring diagram No.
Web Troy Bilt Mustang 50 Wiring Diagram. 22 HP Kohler v-twin. Low Prices On Hundreds Of Top Brands.
Web Troy-Bilt 17AF2ACP711 2007 Mustang RZT 50 Zero-Turn Mower Parts. Web Troy Bilt Mustang 50 Wiring Diagram. Web Mustang XP 50 Zero-Turn Mower.
Order Your Replacement Part Today Save. Web frequently required parts. Web Troy-Bilt Parts Diagrams Lookup Parts by Diagram Use our parts diagram tool below.
The confidence of using parts specifically. Web Mustang Z50 Zero-Turn Rider. Web Troy-Bilt parts give you a genuine advantage.
Web Troy Bilt 17ARCACQ011 Mustang XP 50 2017 Parts Diagrams Quick Reference. Ad Customize Your Ford Mustang With Mustang Body Parts From CJ Pony Parts. Web Order Your Replacement Part Today Save.
Ad Official Troy-Bilt Parts. New Step by Step Map For schematic wiring. 603-04303d frame 703-05829 arm idler 732-0626 spring.
Web Parts Lookup - Enter a part number or partial description to search for parts within this. Web Repair parts lookup and OEM diagrams for outdoor equipment like Toro lawn mowers.
Troy Bilt 17wfcacp011 Mustang 50 Xp 2013 Parts Diagram For Mower Deck
Riding Mower 50 Inch Deck Belt 490 501 M018 Cub Cadet Us
X570 Owner Information Parts Service John Deere Us
Amazon Com 8ten Deck Belt For Troy Bilt Mustang Colt Xp Cub Cadet Rzt42 Gt2550 Gt2554 Mtd Rzt 42 954 04137 954 04137a Patio Lawn Garden
Makita Dlm432pt2 Twin 18 36 Volt Cordless Lawnmower Spare Parts Spare Dlm432pt2 From Spare Parts World
Mustang Z50 Zero Turn Rider 17aafacq066 Troy Bilt Us
Troy Bilt Rzt 50 Lawn Tractor 17aa5abp766 Ereplacementparts Com
Troy Bilt Mustang 50 Xp Zero Turn Riding Lawn Mower User S Manual Manualzz
Troy Bilt 17arcbdw011 Troy Bilt Mustang Xp Pivot S 54 Zero Turn Mower 2015 Mower Deck 54 Inch Parts Lookup With Diagrams Partstree
50 Lawn Mower Deck Parts Rebuild Kit Fits Troy Bilt Rzt 50 Mustang Xp Ebay
Troy Bilt Zero Turn Mower Model 17bf2acp011 Mtd Parts
Troy Bilt Mustang 50 Zero Turn Mower Review Tools In Action Power Tool Reviews
S240 Owner Information Parts Service John Deere Us
Troy Bilt 17afcacp011 Mustang 50 Xp 2013 Fuel Tank
Troy Bilt 17cdcacw066 Mustang Xp 54 2017 Parts Diagram For Drive
Troy Bilt Mustang 50 Parts Manual
Amazon Com Full Deck Rebuild Kit Compatible With Cub Cadet Rzt 50inch Zero Turn Troy Bilt Rzt50 Mowers 618 04125 918 04125 Patio Lawn Garden